[摘要]:文章介紹了艾默生公司變頻器EV2000系列在鋼廠璇流井恒液位變頻節能控制中的應用。
關鍵詞]: 電機 恒壓供水 pid 流量計
一、前言:
包鋼帶鋼廠璇流井水系統是為軋線供生產用水,整個水系統是循環運行的。為保證璇流井內水位保證基本平衡,通過5#泵(110KW)將水池內循環水再抽到外面,防止水溢出。由于原有系統采用軟啟動啟動,不能調節轉速,水位的控制依靠人為值守,來通過開閥和關閥來控制。否則在低液位會造成水泵抽真空而損傷泵體(氣蝕);高液位則會淹沒水泵房造成停電事故。為此,我們設計變頻恒液位控制系統,液位檢測采用超聲波液位器(百特公司),通過變頻器內部PID構成液位閉環,實現液位的自動恒定控制。
1、變頻恒液位控制系統構成
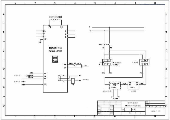
系統水泵電機為110KW,四級,轉速1480r/min。設計采用EV2000-4T1100P系列通用變頻器作為水泵電機控制核心。液位檢測采用百特工控公司生產FBSON-Y-05-N系列超聲波物位檢測儀,供電電源為AC220V,一體式安裝。量程最大可達到5米,實際檢測水位最高1.85米。系統原理圖附圖一至三。
采用一臺EC20-1006BRA作簡單的繼電連鎖,除了和舊系統進行連鎖(互鎖),還有變頻器的簡單啟動和停止及報警。本系統還另外裝有一臺EC20-1006BRA,通過串口與一臺數傳電臺相通訊(MODBUS),來實現和另外一個水泵房(凈環泵房)實現連鎖。當璇流井有高液位報警時,通過PLC及數傳電臺傳送到凈環泵房,由操作人員確定水泵的啟動和停止(由于二者距離太遠,且不適合電纜敷設,所以采用無線數傳的方式)。 其中璇流井內PLC設置為主站,凈環內PLC為從站。數傳電臺采用深圳科立訊生產的PT6080無線數傳電臺是利用先進的單片機技術,無線射頻技術,數字處理技術設計的功率較大,體積較小的模塊式半雙工數傳電臺,采用SMT新工藝,選用高質量的元器件。抗干擾能力強,精致堅固,結構緊湊,安裝方便。數話兼容,數傳可優先。RS232、RS485及TTL多種接口可供選擇,適應面寬。參見下面原理圖:

二、變頻恒液位控制參數及工作原理:
2.1 EV2000 通用技術規格:
.jpg)
2.2為實現璇流井內恒液位控制,我們采用給定電位計作為液位給定,反饋采用超聲波液位儀(變送輸出4-20MA)。通過變頻器內部的PID調節器做壓力閉環調節。變頻器參數設置如下:
FP.01=0 參數寫保護選擇,全部參數允許改寫
F0.00=3 給定為VCI模擬給定
F0.03=1 端子運行
F0.04=0 轉向為正向
F0.08=1 負載為風機類
F0.10=15 加速時間
F0.11=15 減速時間
F0.14=1 V/F曲線設定(2次冪,泵類負載特性)
F5.00=1 閉環運行有效
F5.01=1 給定為VCI
F5.02=1 反饋為CCI(注意要做調線改動),超聲波輸出
F5.09=20 最小給定量對應反饋(4mA ,相對于20mA為20%)
F5.12=0.10 比例增益
F5.13=0.05 積分時間
FH.00=4 四極電機
FH.01=110 功率110KW
變頻器內部PID控制框圖:
2.3超聲波參數設置
a、測量模式選擇:距離測量
b、測量范圍:0-185cm
c、響應速度選擇:慢速
d、安全物位:保持
超聲波工作電壓220VAC,輸出信號為4-20MA
為可靠檢測液位,使用超聲波變送器必須使其響應速度較慢。這是因為過快的響應速度,會造成外界干擾信號的擾動,使液位信號變化太快,影響了正常的設備運行。降低速度,可以使信號綜合平均后輸出實際穩定電流信號。
三、實際運行效果
經過現場一段時間的運行,變頻恒液位運行效果非常好。當用電位計設定一個液位高度后,變頻器以恒液位控制方式運行。當液位設定為70cm,實際檢測璇流井內的液位基本在60-80cm之間恒定。當液位低于70cm,變頻器頻率降低,直到最后停止在最低運行頻率(20HZ)。這是因為如果變頻器運行頻率過低,水泵的揚程不夠,電機功率白白損耗掉,不利于節能運行。設置最低運行頻率,能夠使水泵揚程達到要求(璇流井內循環水不會造成在最低的運行功率下導致液位過低而水泵抽真空)。變頻器的頻率一般在生產的時候達到35-45HZ左右,這樣的節能率是非常高的(40%左右),而且恒液位控制大大的降低了操作人員的勞動強度。當由于某種原因造成液位過高時,通過EC20 PLC和數傳電臺還可以為上級泵站提供信號,實現泵站水系統的連鎖控制,保證了正常的生產供水要求,同時也大大地節約了電能(35%以上),為包鋼節能降耗工程作了一個典范工程。
附原理圖如下:
參考文獻
①EV2000系列通用變頻器 艾默生網絡能源有限公司
②新型PID控制及其應用 機械工業出版社 陶永華
③EC20使用手冊 艾默生網絡能源有限公司
④通用變頻器及其應用 機械工業出版社 韓安榮
⑤百特工控現場儀表選型手冊 福州福光百特自動化設備有限公司